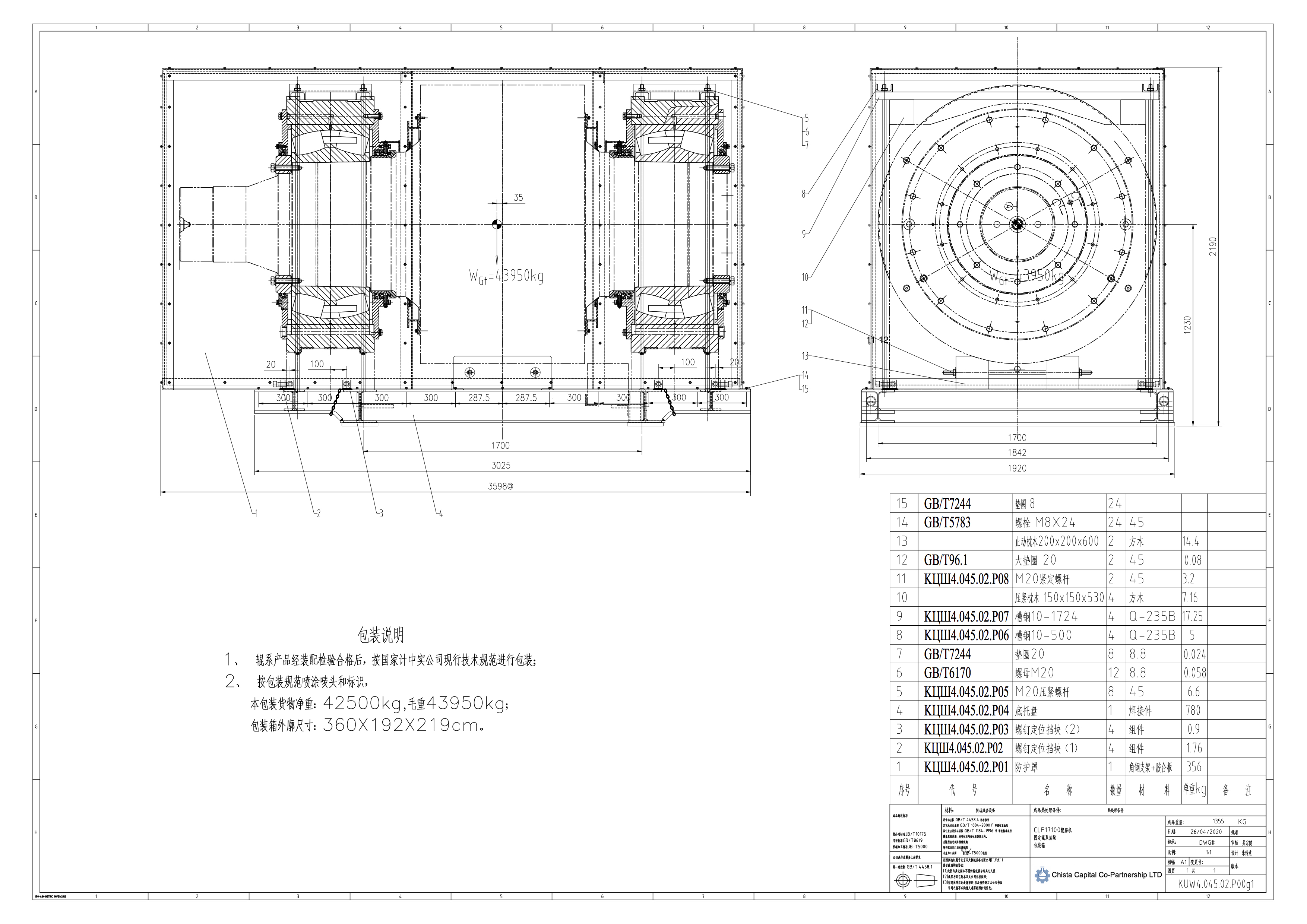
Assembly of roller press roll with housings and bearings
Assembly of roller press roll with housings and bearings
- Next text:Bearing

